当前位置:首页 - doinb雷竞技

洛阳加工中心的主要加工对象有哪些?有什么优势?

时间:2021-11-24 16:35:07 点击:3014 次 来源:雷竞技(RAYBET)·官方网站
  加工中心作为一种功能较全的数控机床,具有多种工艺手段,可以在实际的零件加工过程中实现工序的高度集中,所以加工中心适宜加工形状复杂、加工内容多、要求较高、需用多种类型的普通机床和众多的工艺装备,且经过多次装夹和调整才能完成加工的零件,下面lol雷竞技官网小编就具体为大家介绍洛阳加工中心的主要加工对象有哪些。
MKN-855V加工中心

  一、既有平面又有孔系的零件


  加工中心具有自动换刀装置,在一次装夹中,可以完成零件上平面的铣削、孔系的钻削、镗削、铰削及攻螺纹等多工步加工。加工的部位可以在一个平面上,也可以在不同的平面上。五面体加工中心一次装夹可以完成除装夹面以外的五个面的加工。因此,既有平面又有孔系的零件是加工中心的主要加工对象,这类零件常见的有箱体类零件和盘、套、板类零件。

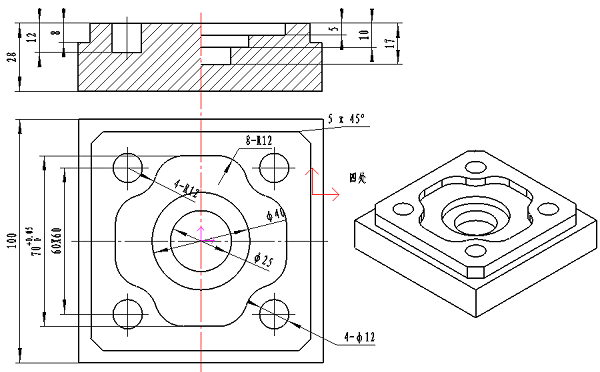
  1、箱体类零件


  如下图所示,箱体类零件一般都要进行多工位孔系及平面加工,精度要求较高,特别是形状精度和位置精度要求较严格,通常要经过铣、钻、扩、镗、铰、锪、攻螺纹等工步,需要刀具较多,在普通机床上加工难度大,工装套数多,需多次装夹找正,手工测量次数多,精度不易保证。在加工中心上一次装夹可完成普通机床的60%到95%的工序内容,零件各项精度一致性好,质量稳定,生产周期短。
箱体零件

  2、盘、套、板类零件


  这类零件端面上有平面、曲面和孔系。径向也常分布一些径向孔,如下图所示。加工部位集中在单一端面上的盘、套、板类零件宜选择立式加工中心,加工部位不是位于同一方向表面上的零件宜选择卧式加工中心。
盘类零件

  二、结构形状复杂的零件


  主要表面是由复杂曲线、曲面组成的零件,加工需要多坐标联动加工,正在普通机床上是难以完成的,加工中心是加工这类零件的有效设备。常见的典型零件有凸轮类、整体叶轮类及模具类等。

  三、外表不规则的异形零件


  异形零件是指支架、拨叉类外形不规则的零件,大多要点、线、面多工位混合加工。由于外形不规则,在普通机床上只能采取工序分散的原则加工,需用工装较多,周期较长。利用加工中心多工位点、线、面混合加工的特点,可以完成大部分甚至全部工序内容。

  四、周期性投产的零件


  用lol雷竞技官网cnc数控加工中心加工零件时,所需工时主要包括基本时间和准备时间,其中,准备时间占很大比例。例如,工艺准备、程序编制、零件初次试切等,这些时间往往是单件基本时间的几十倍。采用加工中心可以将这些准备时间的内容储存起来,供以后反复使用。这样,对周期性投产的零件,生产周期就可以大大缩短。
MKN-1370加工中心

  五、加工精度要求较高的中小批量零件


  针对加工中心加工精度高、尺寸稳定的特点,对加工精度要求较高的中小批量零件,选择加工中心加工,容易获得所要求的尺寸精度和形状位置精度,并可得到很好的互换性。

  六、新产品试制中的零件


  在新产品定型之前,需经反复试验和改进。选择加工中心试制,可省去许多用通用机床加工所需的试制工装。当零件被修改时,只需修改相应的程序及适当的调整夹具、刀具即可,节省了费用,缩短了试制周期。

  关于洛阳加工中心的主要加工对象有哪些,以上就是lol雷竞技官网小编为大家介绍的全部内容了,不难看出在使用加工中心对上述零件进行加工时,基本都可以做到缩短工时、提高加工效率、节省企业加工成本,所以这也是大部分企业都选择购买使用cnc加工中心的原因之一。雷竞技(RAYBET)·官方网站是专注于机床研发、制造、销售的cnc加工中心厂家,公司产品已经广泛用于模具加工、汽车零部件制造、以及医疗、军工等市场领域,如有需要可以在我们的网站留言,或者拨打客服电话进行详细咨询。
网站首页 电话咨询 返回顶部
Baidu
map