当前位置:首页 - doinb雷竞技

工装夹具有哪些分类?选择原则是什么?

时间:2022-01-10 16:10:03 点击:10311 次 来源:雷竞技(RAYBET)·官方网站
  随着零件加工的自动化要求不断提高,各企业都开始采用cnc加工中心等数控机床进行零件生产,这种数控机床虽然在零件加工过程中不需要人为操作,但零件毛坯的安装定位还是需要人工进行的,而面对不同形状和加工方式的零件,其工装夹具也有着不同的类型,下面lol雷竞技官网小编就为大家介绍数控机床工装夹具有哪些分类,同时介绍一下他们的选择用原则。

  一、数控机床工装夹具的分类


  1、通用夹具


  通用夹具已经标准化,机床上一般附有通用夹具,例如卧式车床上的三爪卡盘,铣床上的平口钳等。通用夹具适应性较强,使用时无需调整,或稍加调整就可以用于多种工件的装夹。
工装液压夹具

  2、专用夹具


  专用夹具是针对某一工件的某道工序专门设计和制造的。利用专用夹具加工工件,既可保证精度,又可提高生产效率。由于专用夹具费用较高,生产准备周期长,且不能适应产品的变化,因此主要用于产品固定的大批量生产中。

  3、组合夹具


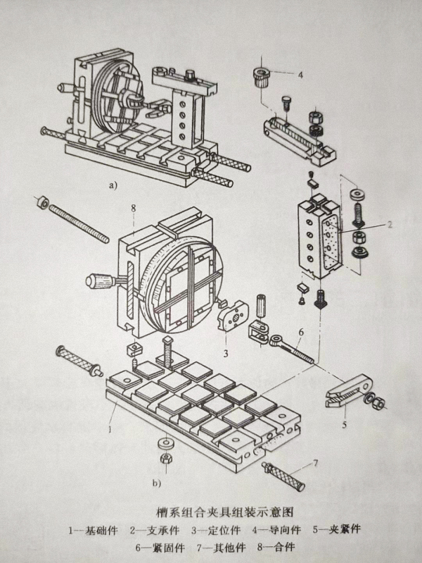
  组合夹具是指由预先制造好的成套标准元件组装而成的专用夹具。当更换产品时,组合夹具可根据工件的加工要求,重新组装成新的夹具。组合夹具有孔系组合夹具和槽系组合夹具。
孔系组合夹具组装示意图

  4、随行夹具


  随行夹具是自动生产线上使用的一种专用夹具。它除了担负工件的安装任务外,还担负沿自动线运输工件的任务。在多工位自动线上有许多相同的随行夹具,随被加工工件有规律的从一个工位移到下一工位。

  二、工装夹具的选择原则


  1、尽量采用标准夹具、组合夹具,必要时才设计专用夹具。

  2、液压夹具要开敞,加工部位开阔,夹具的定位、夹紧机构元件不能影响加工中的进给(如产生碰撞等)。
槽系组合夹具组装示意图
  3、装卸零件要快速、方便、可靠,以缩短辅助时间。

  4、工装夹具应具备足够的强度和刚度,尤其在切削用量较大时,应能保证零件的加工精度。

  5、有条件时,应多采用气动或液压夹具、多工位夹具。

  关于工装夹具有哪些分类,以上就是lol雷竞技官网小编为大家整理的全部内容,工装夹具的基本类型也就是这些,剩下的区别也就是装夹动力类型不同。雷竞技(RAYBET)·官方网站作为机床研发、制造和销售的数控加工中心厂家,同时提供有采用零点系统、快换系统及其组合的工装夹具,可实现快速更换夹具,无需找正,如有需要可以在我们的网站留言,或者拨打客服电话进行详细咨询。

网站首页 电话咨询 返回顶部
Baidu
map